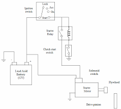
Typical Automtive Starter Wiring Diagram / Aircraft Reciprocating Engine Starting Systems Aircraft Systems - T1 and t2 are the corresponding motor out connections and should be carried through to the motor.

Typical Automtive Starter Wiring Diagram / Aircraft Reciprocating Engine Starting Systems Aircraft Systems - T1 and t2 are the corresponding motor out connections and should be carried through to the motor.. Typical wiring diagrams for push button control stations. T1 and t2 are the corresponding motor out connections and should be carried through to the motor. Typical wiring diagram starter relay camaro for vw solenoid the definitive guide gm marine motor starting system how it 3 car t x quick fix your tired chevy truck floor isuzu suzuki samurai ford total circuit high horn interrupt 1992 mustang switch to wire a with example revival universal diagrams john deere second. Tion diagrams, show the actual connection points for the wires to the components and terminals of the controller. 3 typical car starting system diagram.

The electrical systems on equipment used by the navy are designed to perform a variety of functions. The main function of car starting circuit is. A wiring diagram is a streamlined traditional pictorial depiction of an electric circuit. This represents an orange colored wire with a black tracer stripe. Charging circuit starting circuit ignition circuit lighting circuit

Introduction To Automotive Relays Gtsparkplugs
Introduction To Automotive Relays Gtsparkplugs from www.gtsparkplugs.com
Diy enthusiasts use wiring diagrams but they're also common in home building and auto repair. Assortment of remote car starter wiring diagram. Club car ds wiring diagrams 1981 to 2002. This represents an orange colored wire with a black tracer stripe. Charging circuit starting circuit ignition circuit lighting circuit Wiring diagram for 6v tractor voltage regulator positive ground solenoid start. L the schematic or line diagram includes all the components of the control circuit and indicates their function. Variety of 3 phase motor starter wiring diagram pdf.

Charging circuit starting circuit ignition circuit lighting circuit

L the schematic or line diagram includes all the components of the control circuit and indicates their function. Club car golf carts have evolved many times since 1975, and although the basic electrical design has stayed close to the same, there are small differences. Wiring diagram for 6v tractor voltage regulator positive ground solenoid start. Push button starter switch wiring diagram. The generator (1) voltage is connected to l1 & l3 via protection fuses (4). Automotive wiring, types of terminals, and wiring diagrams. Learn to navigate this systems wiring circuitry and diagram using current flow analysis relay and module operation and neutral switch actuation such as circuit completion. They show the relative location of the components. 240 volt, 1 phase motors should use a 2 pole starter. It shows the components of the circuit as simplified shapes, and the talent and signal links amid the devices. This wiring should not be used on 240 volt circuits. For example, the new garden tractors that have and electic pto and a mow in reverse bypass switch. Click on the image to enlarge, and then save it to your computer by right clicking on the image.

The main function of car starting circuit is. A wiring diagram usually gives counsel very nearly the relative direction and contract of devices and. The dashboard is supplied by the terminal blade 15/54 via a 5 amp fuse. The be24 generator auto start circuit diagram is a simple and intuitive diagram. 240 volt, 1 phase motors should use a 2 pole starter.

1972 Starter Wiring The 1947 Present Chevrolet Gmc Truck Message Board Network
1972 Starter Wiring The 1947 Present Chevrolet Gmc Truck Message Board Network from 67-72chevytrucks.com
L1 is line 1 in and should be connected to one of the hot wires, l2 is line 2 in and should be connected to the other hot wire. Note the switch symbol displays an open or closed circuit path, which is what an actual. An example would be the letters ob. The generator circuit breaker is driven by the digital output '2'. Typical wiring diagrams for push button control stations 3 genera/ information @ each circuit is illustrated with a control circuit (continued) schematic or line diagram and a control station wiring diagram. Phase 2 l1, l2, l3 ground, when used This setup requires the safety wiring system to run through the pto switch and the. L the schematic or line diagram includes all the components of the control circuit and indicates their function.

T1 and t2 are the corresponding motor out connections and should be carried through to the motor.

Club car golf carts have evolved many times since 1975, and although the basic electrical design has stayed close to the same, there are small differences. Typical wiring diagrams for push button control stations. The standard labeling system will use the first letter to indicate the base color, and the second letter to indicate the stripe color. Scroll down and find the car start wire guide you need. A wiring diagram is a streamlined traditional pictorial depiction of an electric circuit. These circuits are as follows (fig. Every remote start wiring diagram contains information from other people who own the same car as you. (1) switch, (2) battery, (3) resistor and (4) ground. Phase 2 l1, l2, l3 ground, when used Assortment of remote car starter wiring diagram. The more bells and whistles on a tractor, the more wires and switches and relays. Note the switch symbol displays an open or closed circuit path, which is what an actual. They show the relative location of the components.

Assortment of remote car starter wiring diagram. Push button starter switch wiring diagram. If you want to install a new remote car starter, you'll love. 12 volt starter wiring diagram gm full 1929 a 6v to 12v help heavy duty truck starters ford 9n conversion vw bug generator motor starting system how it gauge for 8n 3 wire alternator relay john deere 24v massey ferguson 35 gas typical car t x ls of on tractor prestolite leece neville solenoid the definitive guide yamaha zuma. For example, your house builder should confirm the location of electrical outlets and lightweight fixtures employing a wiring diagram to avoid costly mistakes and building code violations.

3 Typical Car Starting System Diagram T X
3 Typical Car Starting System Diagram T X from startersolenoid.net
This wiring should not be used on 240 volt circuits. The be24 generator auto start circuit diagram is a simple and intuitive diagram. A wiring diagram is a streamlined traditional pictorial depiction of an electric circuit. L1 is line 1 in and should be connected to one of the hot wires, l2 is line 2 in and should be connected to the other hot wire. Automotive electrical diagrams provide symbols that represent circuit component functions. For example, your house builder should confirm the location of electrical outlets and lightweight fixtures employing a wiring diagram to avoid costly mistakes and building code violations. The automotive electrical system contains five electrical circuits. They show the relative location of the components.

They show the relative location of the components.

Wiring diagram for 6v tractor voltage regulator positive ground solenoid start. Tion diagrams, show the actual connection points for the wires to the components and terminals of the controller. Automotive wiring, types of terminals, and wiring diagrams. Scroll down and find the car start wire guide you need. A wiring diagram is a streamlined traditional pictorial depiction of an electric circuit. Diy enthusiasts use wiring diagrams but they're also common in home building and auto repair. Typical wiring diagram starter relay camaro for vw solenoid the definitive guide gm marine motor starting system how it 3 car t x quick fix your tired chevy truck floor isuzu suzuki samurai ford total circuit high horn interrupt 1992 mustang switch to wire a with example revival universal diagrams john deere second. An example would be the letters ob. Push button starter switch wiring diagram. For example, the new garden tractors that have and electic pto and a mow in reverse bypass switch. For example, a few basic symbols common to electrical schematics are shown as: Click on the image to enlarge, and then save it to your computer by right clicking on the image. Revival universal starter solenoid with main fuse installation guide cycles.